易事特蓄电池 NP 系列蓄电池是免维护铅酸蓄电池产品,专为 UPS 不间断电源设计,具有可靠性能、超长使用寿命和经济实惠等特点。以下是具体介绍:产品特点安全性能好:贫液式设计,电池内部无自由流动的电解液,侧倒 90 度安装也可正常使用。阀控密封式结构,当电池内气压偶尔偏高时,可通过安全阀自动开启泄掉压力,防爆性能佳。免维护性能:利用阴极吸收式密封免维护原理,气体密封复合效率超过 95%,正常使用情
易事特蓄电池 NP 系列蓄电池是免维护铅酸蓄电池产品,专为 UPS 不间断电源设计,具有可靠性能、超长使用寿命和经济实惠等特点。以下是具体介绍:
产品特点
安全性能好:贫液式设计,电池内部无自由流动的电解液,侧倒 90 度安装也可正常使用。阀控密封式结构,当电池内气压偶尔偏高时,可通过安全阀自动开启泄掉压力,防爆性能佳。
免维护性能:利用阴极吸收式密封免维护原理,气体密封复合效率超过 95%,正常使用情况下失水极少,无需定期补液维护。
绿色环保:正常充电下无酸雾,不污染机房环境、不腐蚀机房设备。
自放电小:采用析气电位高的 Pb-Ca-Sn 合金,在 20℃的干爽环境中放置半年,无需补电即可投入正常使用。
适用环境温度广:在-10℃~45℃可平稳运行。
耐大电流性能好:紧装配工艺,内阻小,可进行 3 倍容量的放电电流放电 3 分钟或 6 倍容量的放电电流放电 5 秒,电池无异常。
寿命长:由于采用高纯原材料及长寿命配方、电池组一致性控制工艺,NP 系列电池组正常浮充设计寿命可达 7~10 年(≥38Ah)。
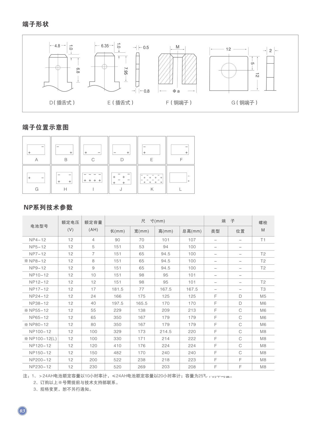
型号及参数
标称电压:6V、12V。
额定容量:1.2AH 到 250AH。
部分型号参数:

应用领域:警报系统、应急照明系统、电子仪器、邮电通信、电力系统、大型 UPS 及计算机备用电源、消防备用电源等。